{{alert.message}}

veiligheidssmaldeurslot insteek nemef

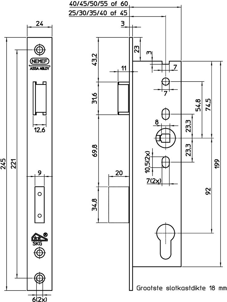
4169/18-25 PC92MM LS/RS SKG**

Artikelnummer: 00320526
EAN: 8713515037554

Direct leverbaar
0 stuks in vestiging Centraal magazijn
  • PC 92
  • Doornm. 25mm
  • RVS voorplaat
icon icon icon icon icon icon

102,23
Korting: 12 %

89,96

incl. btw 108,85

Productomschrijving

Insteek smaldeurslot, één toers 20 mm nachtschoot met 2 stalen beveiligingspennen, links en rechts omlegbaar, krukgat 8 mm, kruk-/cilindergat h.o.h. 92 mm, voorplaat 245x24x3 mm, zwart gelakte kast met een hoogte van 199 mm en kastdikte van 18 mm, voor europrofielcilinder.

Klik hier voor de omleginstructie

Exclusief sluitplaat.
Ook leverbaar in doornmaten 30, 35, 40 en 45 mm.

Technische gegevens

doornmaat25mm
draairichtingrechts
steekmaat92mm

Gerelateerde producten