{{alert.message}}

veiligheidsdeurslot insteek nemef

4119/17 PC55MM DIN L/R SKG**

Artikelnummer: 00320517
EAN: 8713515021102

Direct leverbaar
101 stuks in vestiging Centraal magazijn
  • PC 55
  • Doornm. 50mm
  • RVS voorplaat
icon icon icon icon icon icon

55,06
Korting: 12 %

48,45

incl. btw 58,62

Productomschrijving

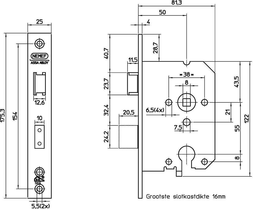
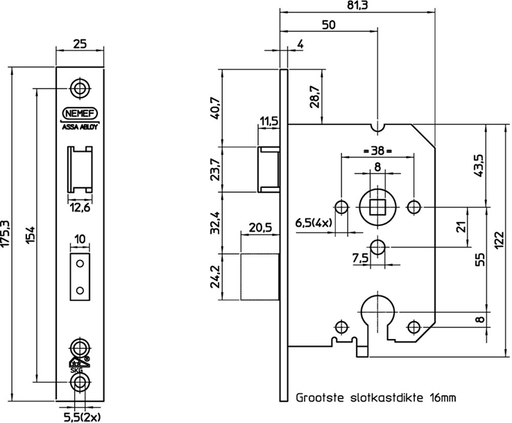
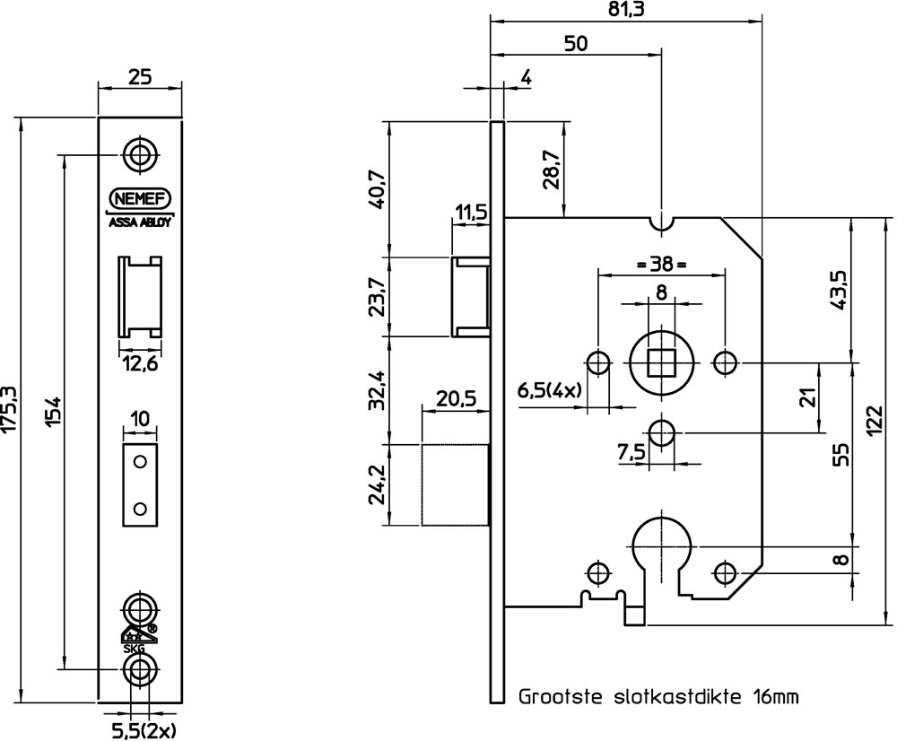
Veiligheidsslot. Bijzonder geschikt voor buitendeuren in de woningbouw. Tevens geschikt ter vervanging van standaard sloten 1200 serie. Met wissel, één toers 20 mm messing nachtschoot met 2 stalen beveiligingspennen, messing dagschoot omlegbaar (links en rechts bruikbaar), krukgat 8 mm, kruk-/ profielcilindergat h.o.h. 55 mm, staal gelakte kast van 122x81x16 mm, doornmaat 50 mm, voor europrofielcilinder.

Klik hier voor de omleginstructie

Inclusief rvs sluitplaat.
Toepassen met veiligheidssluitkom VS 4000 (1200.084) of VS 4004 verstelbaar (1308.845 en 1308.846). 

Technische gegevens

model voorplaatrechthoekig
draairichtingrechts

Gerelateerde producten