{{alert.message}}

deurslot insteek d&n pc nemef

1449 PC55MM DIN LS/RS

Artikelnummer: 00320688
EAN: 8713515178271

Direct leverbaar
5 stuks in vestiging Centraal magazijn
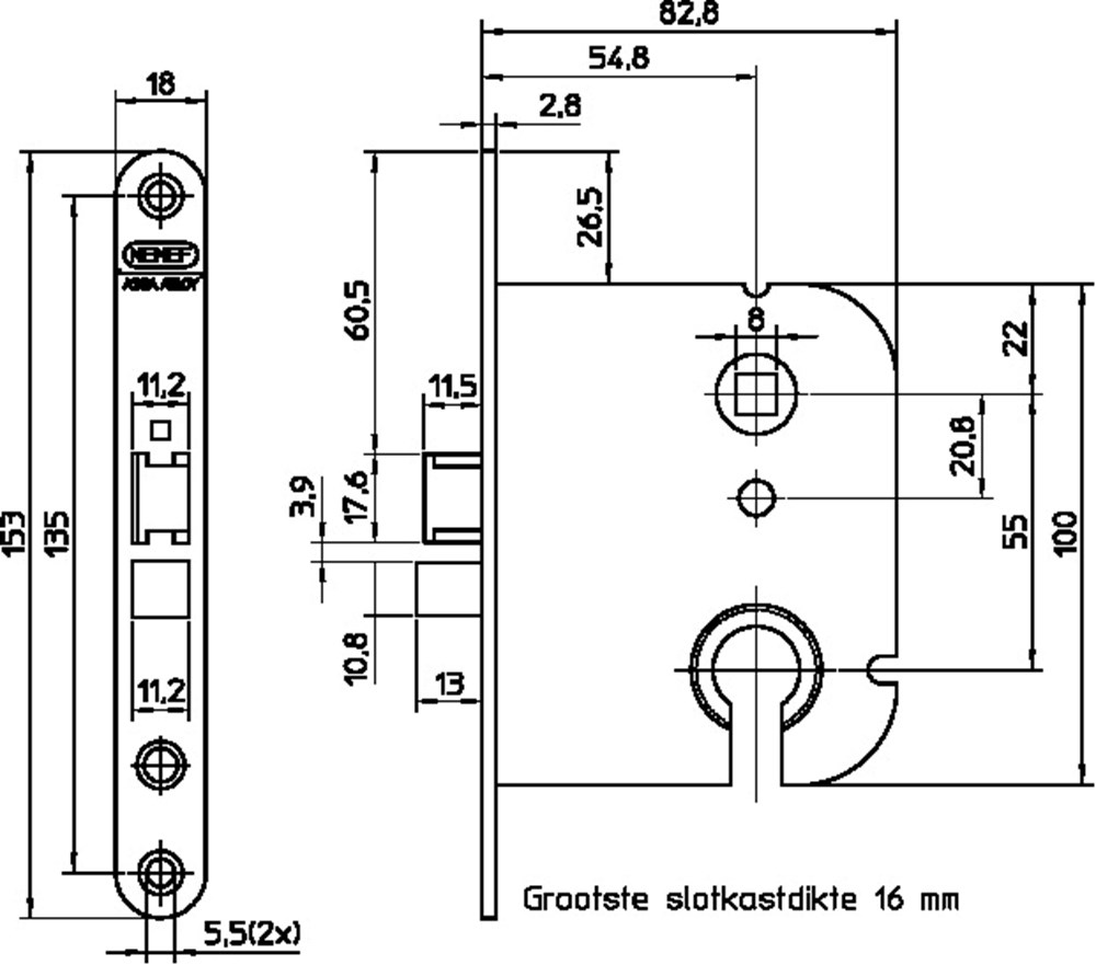
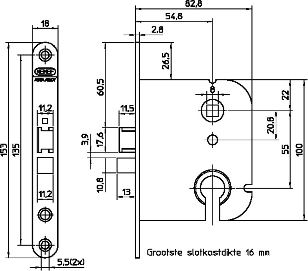
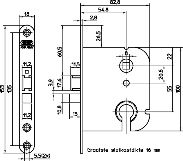
  • PC 55
  • Doornm. 55mm
  • Gelakte voorplaat
icon icon
1 Stuk
61,67
Korting: 12 %

54,27

incl. btw 65,67

Productomschrijving

Met gelakte voorplaat
Insteek dag- en nacht profielcilinderslot, geschikt voor binnendeuren in de woningbouw. Eén toers zamac vermessingde nachtschoot, 13 mm uitslag, met wissel, zamac vermessingde dagschoot omlegbaar (links en rechts bruikbaar), krukgat 8 mm, kruk-/profielcilindergat h.o.h. 55 mm, smalle afgeronde gelakte stalen voorplaat van 153x18x2,75 mm, verzinkte kast van 100x83x16 mm, doornmaat 55 mm, voor europrofielcilinder.

Klik hier voor de omleginstructie

Inclusief verzinkte sluitplaat,

Technische gegevens

draairichtingrechts

Gerelateerde producten