{{alert.message}}

sluitplaat rvs lips

SPU2465R LOOP

Artikelnummer: 00000942
EAN: 8714002257585

Direct leverbaar
1 stuks in vestiging Centraal magazijn
  • Loop
  • Ronde hoek
  • Tbv 2400-serie
icon icon

3,74
Korting: 10 %

3,37

incl. btw 4,08

Productomschrijving

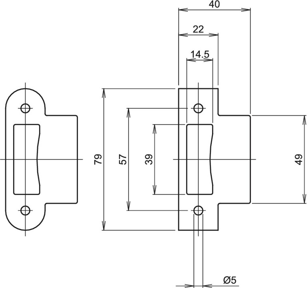
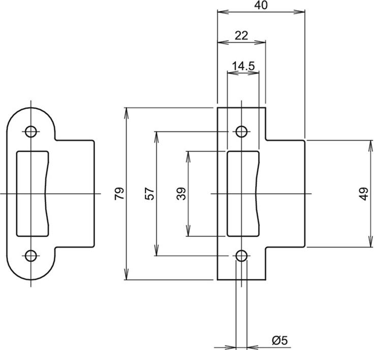
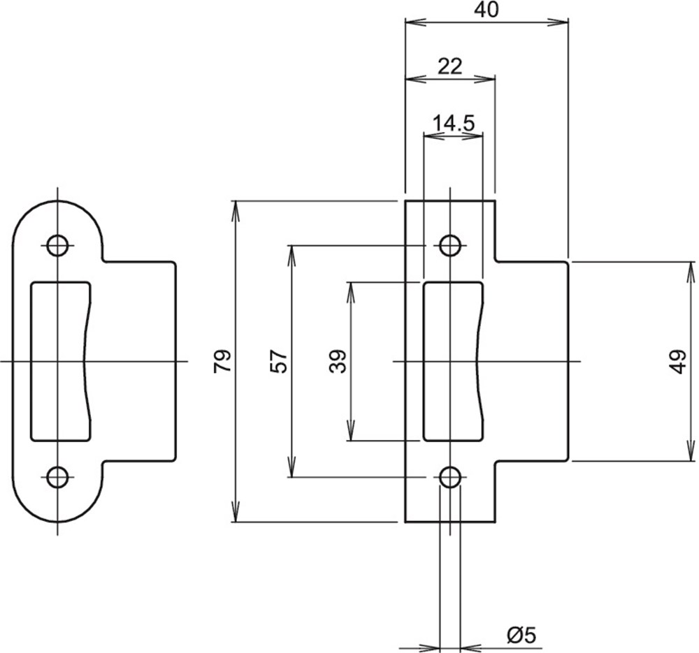
Toepassingen: Voor binnendeuren, vlakke sluitplaat voor sloten met dagschoot.
Voordelen: voor links- en rechtsdraaiende deuren
Specificaties: Afgeronde sluitplaat in RVS. Voor sloten met dagschoot.

Technische gegevens

afm. sluitplaat (hxb)79 x 22 mm
sluitplaatafgerond

Gerelateerde producten