{{alert.message}}

rolschootdeurslot insteek d&n pc nemef

689/17 PC72MM

Artikelnummer: 00320570
EAN: 8713515009766

Direct leverbaar
2 stuks in vestiging Centraal magazijn
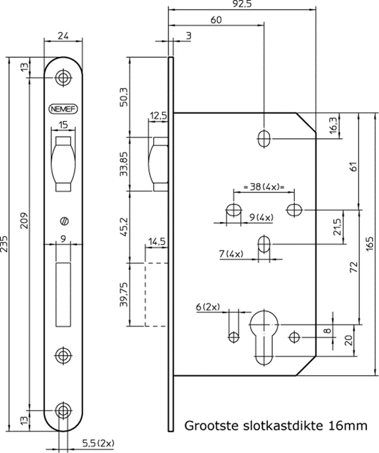
  • PC 72
  • Doornm. 60mm
  • RVS voorplaat
icon icon icon icon icon icon

159,47
Korting: 12 %

140,33

incl. btw 169,80

Productomschrijving

Zwaar insteek tonrolslot, geschikt voor utiliteitsbouw. Verstelbare rolschoot, één toers messing nachtschoot, uitslag 14,5 mm, links en rechts bruikbaar, denkbeeldige kruk-/profielcilindergat h.o.h. 72 mm, RVS voorplaat 235x24x3 mm, staal gelakte kast van 165x92,5x16 mm, doornmaat 60 mm, voor europrofielcilinder.

Exclusief sluitplaat.

Technische gegevens

uitvoeringrolslot
afmeting voorplaat235 x 24mm
materiaal voorplaatRVS
doornmaat60mm

Gerelateerde producten