{{alert.message}}

nagelplug fischer

N-S N 5X 30MM BRUIN

Artikelnummer: 00007189
EAN: 4006209962077

Direct leverbaar
100 stuks in vestiging Centraal magazijn
  • Afm. 5x30mm
  • Trompetkraag
  • Nylon
100 stuks
19,65
Korting: 12 %

17,29

incl. btw 20,92

Productomschrijving

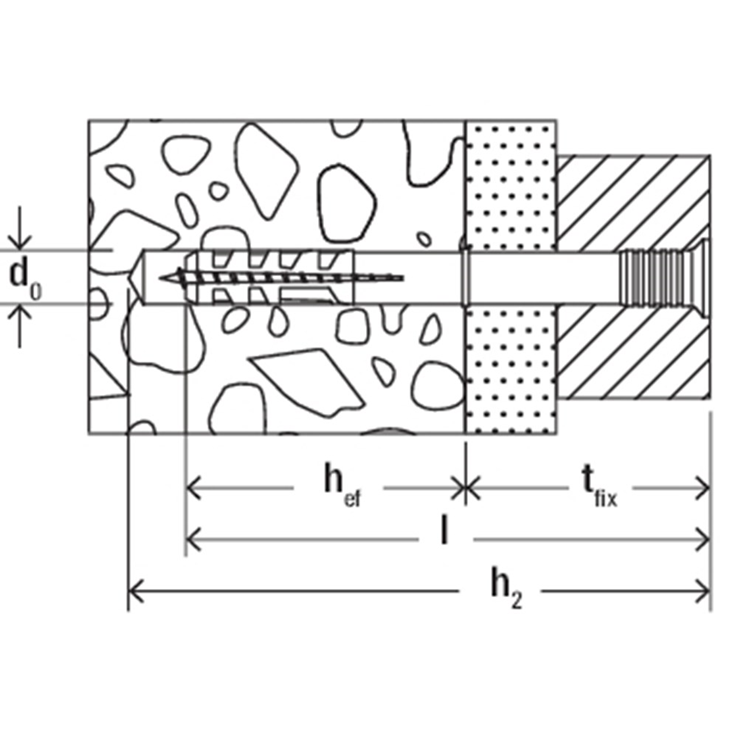
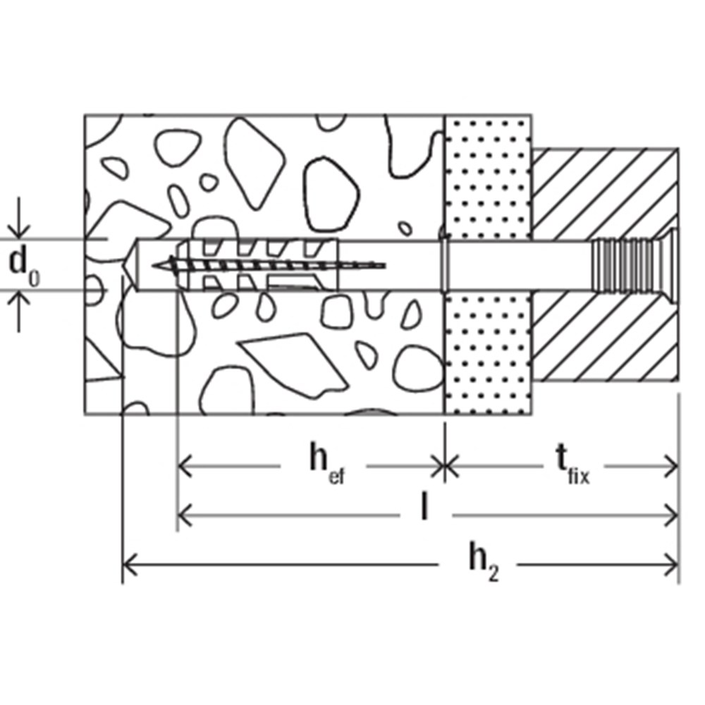
De fischer Nagelplug N-S met verzonken kop bestaat uit een plug van kwalitatief hoogwaardig nylon en een nagelschroef van gegalvaniseerd of roestvast staal. Deze zijn voor een snelle montage reeds vooraf gemonteerd. De nagelplug wordt in de tijdbesparende doorsteekmontage door het montagestuk gevoerd. Bij het intikken van de nagelschroef spreidt de huls open en verankert in het materiaal. De fischer Nagelplug N-S met verzonken kop is ideaal voor de bevestiging van houtconstructies, pleister- en wandaansluitingen alsmede, kabel- en pijpklemmen in allerlei bouwmaterialen.

Voordelen
  • De snelle doorsteekmontage vermindert de arbeidsinspanning en maakt een efficiënte seriematige montage mogelijk
  • De geïntegreerde inslagblokkering voorkomt het voortijdig spreiden (klemmen) van de plug en zorgt voor een probleemloze montage
  • De schroefdraad van de nagelschroef maakt in combinatie met de kruiskop het uitdraaien van de schroef en daarmee een demontage mogelijk
  • Het brede assortiment aan diameters en bruikbare lengten biedt voor elke bevestiging de juiste plug

Technische gegevens

Boordiameter d05 mm
Pluglengte l30 mm
Max. dikte aanbouwdeel t fix5 mm
OpnamePZ2
Hoeveelheid100st

Gerelateerde producten