{{alert.message}}

inbusbout gefosfateerd 12.9 kelfort

M12X120MM CK INBUS 12MM

Artikelnummer: 00354120
EAN: 8714678876479

3-7 werkdagen
  • Afm. M12x120mm
  • Kwaliteit 12.9
  • Gefosfateerd
100 stuks
266,71
Korting: 15 %

226,70

incl. btw 274,31

Productomschrijving

Zwart gefosfateerd, kwaliteit 12.9 met cilinderkop en schacht (afhankelijk van de lengte). Volgens DIN 912.

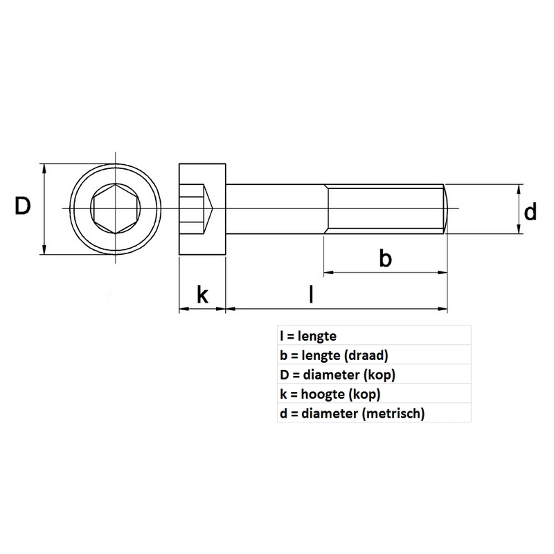
Technische gegevens

draad (metrisch)M12
lengte120 mm
lengte (draad)36 mm
inbus8,0 mm
model (kop)cilinderkop
diameter (kop)8 mm
hoogte (kop)10 mm
aandrijvingbinnenzeskant
DIN912
materiaalstaal
kwaliteit (materiaal)12.9
bewerking (oppervlaktebehandeling)zwart gefosfateerd
verpakt per25 st

Downloads

Gerelateerde producten