{{alert.message}}

hollewandplug metaal fischer

HM M4X54MM S

Artikelnummer: 00372204
EAN: 4006209623091

Direct leverbaar
0 stuks in vestiging Centraal magazijn
  • Diameter M4
  • Plaatdikte 18-32mm
  • Metaal
100 stuks
83,42
Korting: 20 %

66,74

incl. btw 80,76

Productomschrijving

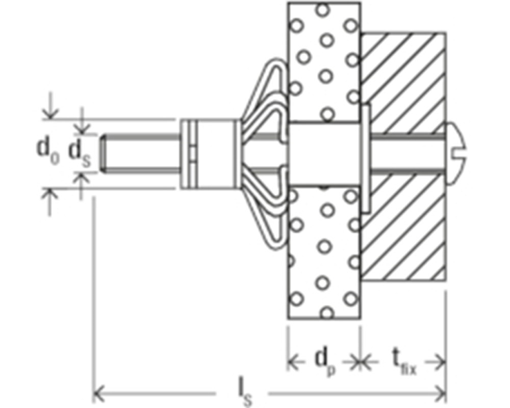
De fischer Metalen hollewandplug HM-S is een veelzijdige hollewandplug met metrische bout voor alle plaatmateriaal. De plug wordt met de fischer Hollewandplug tang HM-Z 1 in de voorsteekmontage geplaatst. Met de tang wordt de plug in de holle ruimte achter het plaatmateriaal getrokken. De armen spreiden zich daarbij uit achter het plaatmateriaal en verdelen de krachten over een groot oppervlak. Als alternatief is de montage ook met behulp van een schroevendraaier of een accu-schroefboormachine mogelijk. De fischer Metalen hollewandplug HM-S is geschikt voor de bevestiging van verlichting, handdoekenrekken en gordijnrails in de interieurbouw.

Voordelen
  • Door het uitgebreide assortiment, is de HM geschikt voor plaatmateriaal met een dikte van 3-50 mm waardoor het voor tal van toepassingen gebruikt kan worden
  • Het aanbouwdeel kan door het metrische binnendraad meerdere malen worden gemonteerd en gedemonteerd. Hierdoor is de HM zeer flexibel
  • De spreidende armen van de HM zorgen voor een groot contactoppervlak waardoor hoge belastingen mogelijk zijn
  • De weerhaken onder de kraag van de plug penetreren het plaatmateriaal waardoor het meedraaien van de plug in het boorgat wordt voorkomen en een veilige montage gegarandeerd is

Technische gegevens

pluglengte54mm
boor-ø8mm
afmeting schroefM 4 x 60mm
max. dikte aanbouwdeel21mm
min. boorgatdiepte64mm

Gerelateerde producten