{{alert.message}}

deurslot insteek v&b nemef

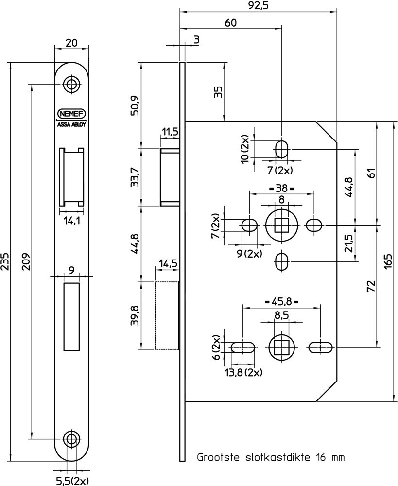
644/17 WC72/8MM DIN L/R

Artikelnummer: 00318352
EAN: 8713515334042

Direct leverbaar
4 stuks in vestiging Centraal magazijn
  • WC 72
  • Doornm. 60mm
  • RVS voorplaat
icon icon
1 Stuk
63,48
Korting: 12 %

55,86

incl. btw 67,59

Productomschrijving

Geschikt voor toepassing in toilet- en badkamerdeuren in de utiliteitsbouw.

Specificaties

  • Volledig gesloten slotkast voorkomt binnendringen vuil voor lange probleemloze werking
  • Spelingsvrije beslagmontage ter voorkoming van een hangende deurkruk
  • Uniforme slotkastafmeting met 600 serie sloten
  • Messing dagschoot voor het soepel sluiten van de deur
  • Links en rechts verschillend
  • Messing nachtschoot (1-toers)
  • Afgeronde voorplaat in RVS of staal gelakte uitvoering

Technische gegevens

Model voorplaatafgerond
Afmetingen voorplaat20 x 235 mm
Materiaal voorplaatrvs
Afstand72 mm
Doornmaat60 mm
Draairichting1/2/3/4
Krukgat8 mm
Aantal toeren1-toers
Dagschootuitslag11,5 mm
Materiaal dagschootmessing
Materiaal nachtschoot
Finish slotkastgelakt
Mat. slotkaststaal
Nachtschootuitslag14,5 mm
Omschrijving dagschootomlegbaar
Verpakkingper stuk
Extra te bestellen SluitplaatP 646/17
Produktserie600

Gerelateerde producten