{{alert.message}}

deurslot insteek loop nemef

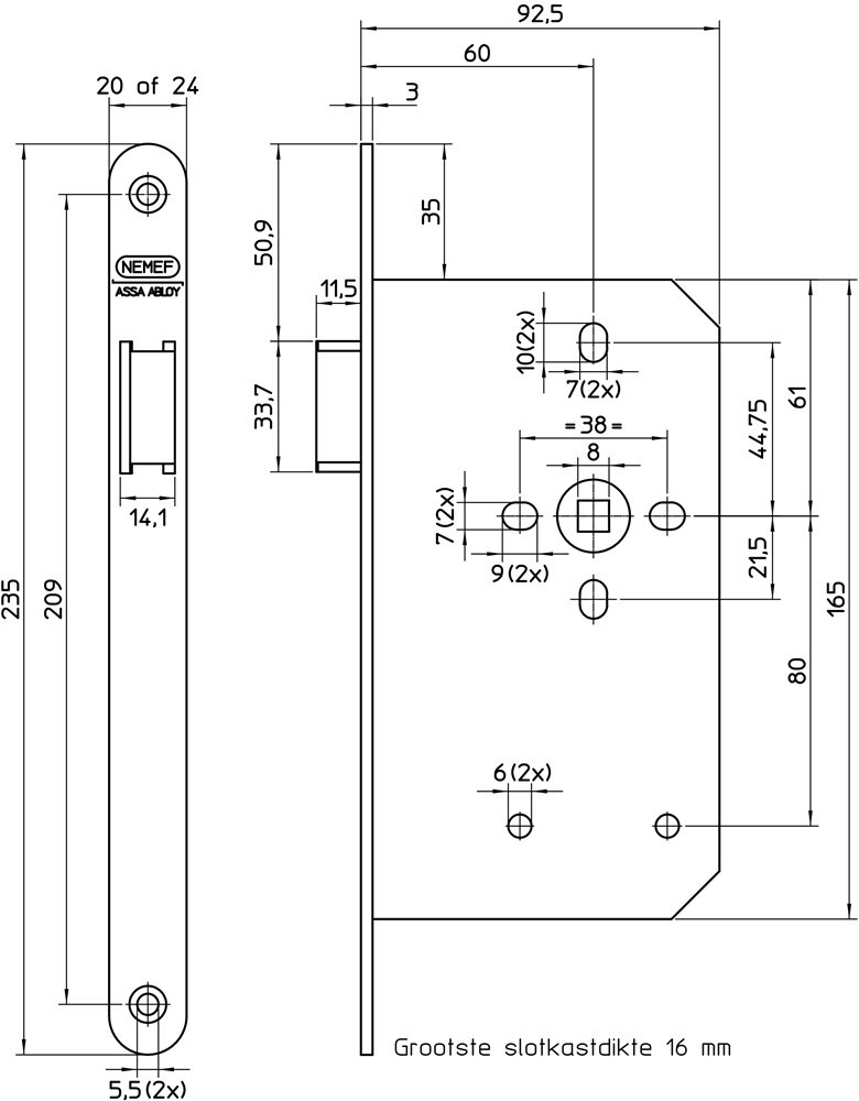
635/17 LOOP DIN L/R

Artikelnummer: 00318350
EAN: 8713515334028

Direct leverbaar
7 stuks in vestiging Centraal magazijn
  • Blind
  • Doornm. 60mm
  • RVS voorplaat
icon
1 Stuk
41,95
Korting: 12 %

36,92

incl. btw 44,67

Productomschrijving

Geschikt voor toepassing in loopdeuren in de utiliteitsbouw.

Specificaties

  • Volledig gesloten slotkast voorkomt binnendringen vuil voor lange probleemloze werking
  • Spelingsvrije beslagmontage ter voorkoming van een hangende deurkruk
  • Uniforme slotkastafmeting met 600 serie sloten
  • Messing dagschoot voor het soepel sluiten van de deur
  • Links en rechts verschillend
  • Voorzien van afgeronde- of rechthoekige voorplaat
  • Voorplaat in staal gelakte uitvoering

Technische gegevens

Model voorplaatafgerond
Afmetingen voorplaat20 x 235 mm
Materiaal voorplaatrvs
Doornmaat60 mm
Draairichting1/2/3/4
Krukgat8 mm
Dagschootuitslag11,5 mm
Materiaal dagschootmessing
Finish slotkastgelakt
Mat. slotkaststaal
Omschrijving dagschootomlegbaar
Verpakkingper stuk
Extra te bestellen SluitplaatP 635/17
Produktserie600

Gerelateerde producten