{{alert.message}}

deurslot insteek kast pc nemef

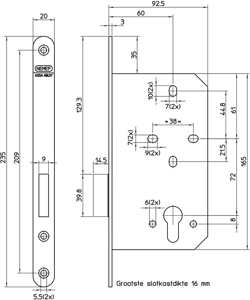
638/2 PC72MM

Artikelnummer: 00318341
EAN: 8713515334080

3-7 werkdagen
  • Z. krukgat
  • Doornm. 60mm
  • Gelakte voorplaat
icon
1 Stuk
33,66
Korting: 12 %

29,62

incl. btw 35,84

Productomschrijving

Geschikt voor toepassing in kastdeuren in de utiliteitsbouw.

Specificaties

  • Uniforme slotkastafmeting met 600 serie sloten
  • 17mm europrofielcilinder uitvoering
  • Messing nachtschoot (1-toers)
  • Afgeronde voorplaat in RVS of staal gelakte uitvoering
  • Extra te bestellen: sluitplaat P 636 of HP 636

Technische gegevens

Model voorplaatafgerond
Afmetingen voorplaat20 x 235 mm
Materiaal voorplaatstaal gelakt
Doornmaat60 mm
Draairichting1/2/3/4
Cilinderuitsparing17 mm
Aantal toeren1-toers
Materiaal nachtschootmessing
Finish slotkastgelakt
Materiaal slotkaststaal
Nachtschootuitslag14,5 mm
Omschrijvinglinks en rechts bruikbaar
Uitvoeringcilinderbediend
Verpakkingper stuk
Extra te bestellen SluitplaatP 636/12
Produktserie600