{{alert.message}}

deurslot insteek d&n pc nemef

649/17 PC72MM DIN RS

Artikelnummer: 00318267
EAN: 8713515007625

Direct leverbaar
23 stuks in vestiging Centraal magazijn
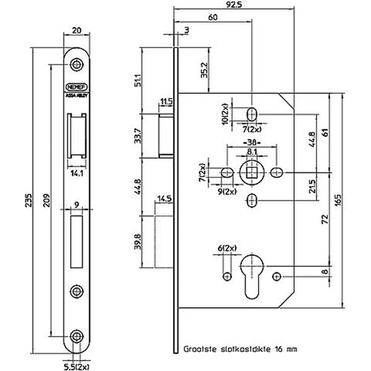
  • PC 72
  • Doornm. 60mm
  • RVS voorplaat
icon icon

56,74
Korting: 12 %

49,93

incl. btw 60,42

Productomschrijving

Met RVS voorplaat
Zwaar insteek dag- en nacht cilinderslot, geschikt voor binnendeuren in de utiliteitsbouw. Met wissel, links en rechts verschillend, messing schoten, krukgat 8 mm, kruk-/profielcilindergat h.o.h. 72 mm, afgeronde voorplaat 235x20x3 mm, staal gelakte kast van 165x92,5x16 mm, doornmaat 60 mm, gelagerde klemtuimelaar, voor europrofielcilinder.

Exclusief sluitplaat.

Technische gegevens

materiaal voorplaatRVS

Gerelateerde producten