{{alert.message}}

deurslot insteek d&n klavier nemef

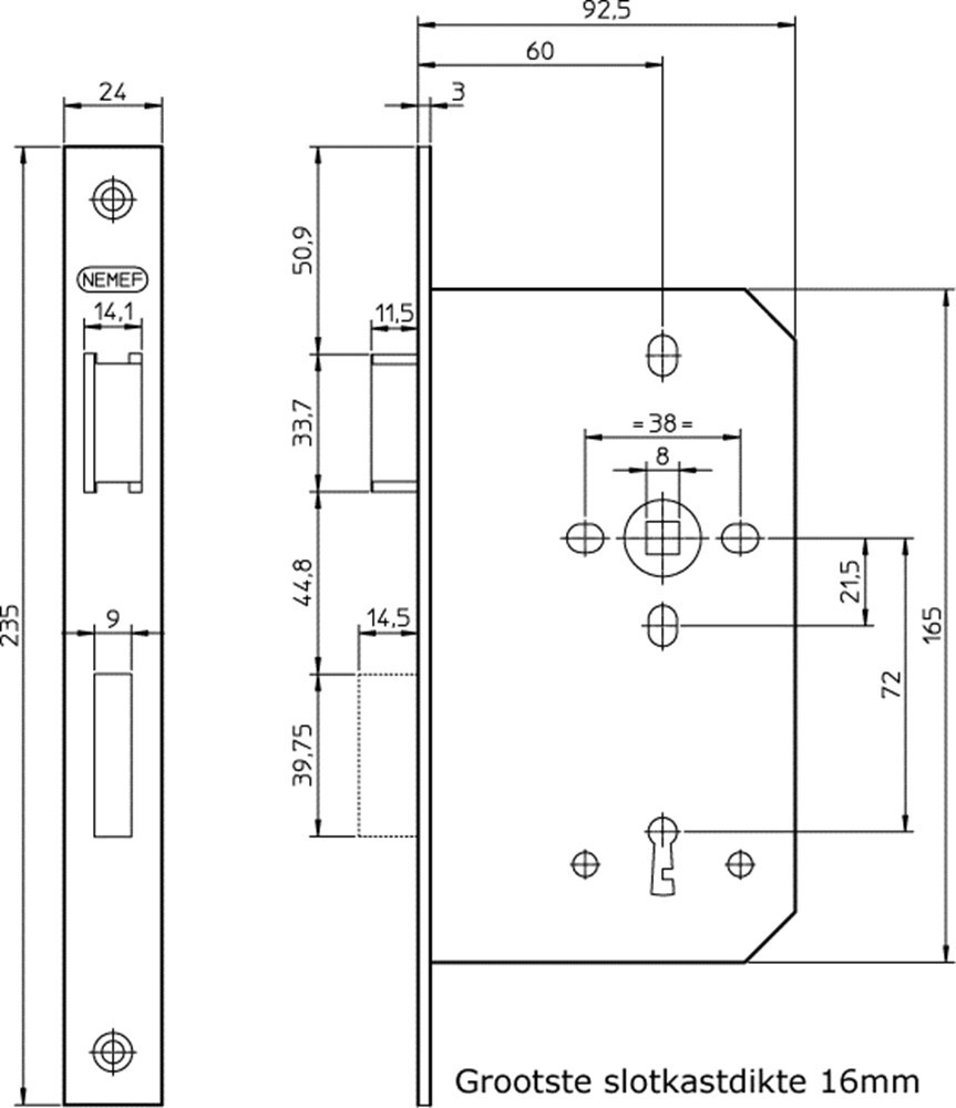
666/2 SL.72MM DIN L/R

Artikelnummer: 00318348
EAN: 8713515334110

3-7 werkdagen
  • SL 72
  • Doornm. 60mm
  • Gelakte voorplaat
icon icon
1 Stuk
76,84
Korting: 12 %

67,62

incl. btw 81,82

Productomschrijving

Geschikt voor toepassing in afsluitbare binnendeuren in de utiliteitsbouw.

Specificaties

  • Klaviersleutel uitvoering
  • Links en rechts verschillend
  • Messing dagschoot
  • Messing nachtschoot
  • Rechthoekig staal gelakte voorplaat
  • 1-toers
  • Geleverd met 2 sleutels
  • 6 verschillende sluitingen beschikbaar

Technische gegevens

Model voorplaatrechthoekig
Afmetingen voorplaat24 x 235 mm
Materiaal voorplaatstaal gelakt
Afstand72 mm
Doornmaat60 mm
Draairichting1/2/3/4
Krukgat8 mm
Aantal toeren1-toers
Aantal sleutelvarianten6
Dagschootuitslag11,5 mm
Materiaal dagschootmessing
Materiaal nachtschootmessing
Finish slotkastgelakt
Mat. slotkaststaal
Nachtschootuitslag14,5 mm
Aantal sleutels2
Omschrijving dagschootomlegbaar
Verpakkingper stuk
Extra te bestellen SluitplaatP 646/12
Produktserie600

Gerelateerde producten