{{alert.message}}

deurslot insteek d&n klavier nemef

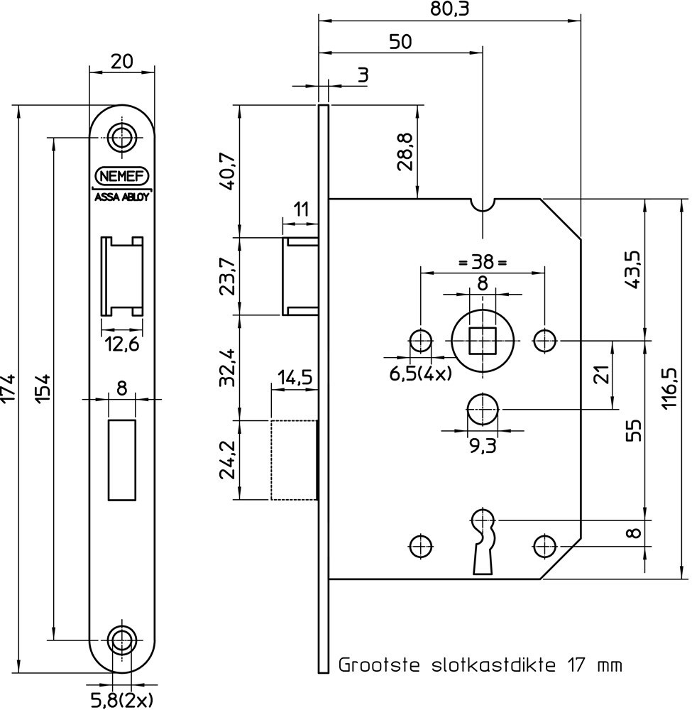
1266/4 SL.56MM DIN RS/LS

Artikelnummer: 00320628
EAN: 8713515012476

Direct leverbaar
51 stuks in vestiging Centraal magazijn
  • SL 56
  • Doornm. 50mm
  • Gelakte voorplaat
icon icon

22,80
Korting: 12 %

20,06

incl. btw 24,27

Productomschrijving

Het Nemef deurslot afsluitbaar 1266 is een speciaal afsluitbaar binnendeurslot dat met een eenvoudige sleutel bediend kan worden.
Handig: Door de universele maatvoering, kan het bestaande slot eenvoudig vervangen worden zonder dat hier hak- en breekwerk aan te pas hoeft te komen.

Klik hier voor de omleginstructie

Specificaties
  • Dit slot met beslag kan op een naar binnen- of naar buitendraaiende deur zowel links als rechts geplaatst worden.
  • Door universele maatvoering vervangt dit slot eenvoudig het bestaande slot.

Inclusief sluitplaat

Technische gegevens

verpakking
materiaal voorplaatstaal gelakt
draairichtinglinks
aantal sleutels2
aantal sluitingen5
steekmaatSL 55mm
verpaktper 10

Gerelateerde producten