{{alert.message}}

deurslot insteek anti-paniek nemef

669/46 2-DLG PC72MM DIN LS (3)

Artikelnummer: 00318310
EAN: 8713515009452

Direct leverbaar
4 stuks in vestiging Centraal magazijn
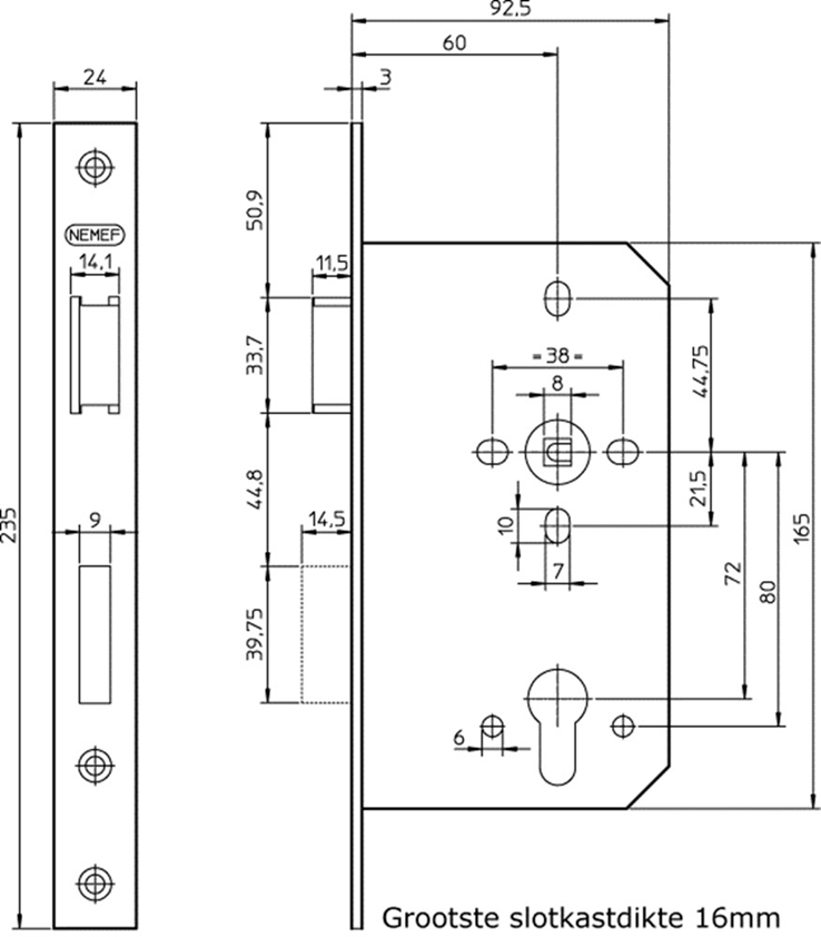
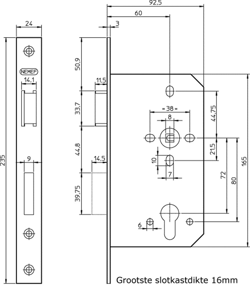
  • PC 72
  • Doornm. 60mm
  • RVS voorplaat
icon icon icon icon icon icon

141,24
Korting: 12 %

124,29

incl. btw 150,39

Productomschrijving

Zwaar insteek anti-paniekslot, geschikt voor toepassing op brand- en paniekdeuren in de utiliteitsbouw. In geval van paniek, bijv. brand, worden beide schoten, door een volkomen normale beweging van de deurkruk aan de binnenzijde, ingetrokken. Met wissel, messing schoten, krukgat 8 mm, kruk-/profielcilindergat h.o.h. 72 mm, rechthoekige voorplaat 235x24 mm, dichte staal gelakte kast van 165x92,5x16 mm, doornmaat 60 mm, voor europrofielcilinder.

Exclusief sluitplaat.

Let op: gebruik een standaard dubbele cilinder.

Technische gegevens

uitvoeringdraairichting 3, naar buitendraaiend

Gerelateerde producten