{{alert.message}}

blindklinknagels aluminium masterfix

MFX 3.0X 8.0MM BK ALU/STAAL

Artikelnummer: 00008001
EAN: 8714338154183

Direct leverbaar
4925 stuks in vestiging Centraal magazijn
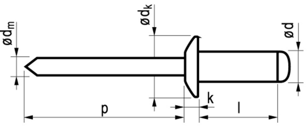
  • Afm. 3.0x8.0mm
  • Klembereik 3.5-5.5mm
  • Blank
1000 Stuks
23,21
Korting: 12 %

20,42

incl. btw 24,71

Productomschrijving

De diversiteit in standaard nagels is enorm. Zowel in legeringen als in kop(soorten) van de meest courante nagel, de aluminium platbolkop tot aan een koperen nagel of een roestvrijstalen met verzonken kop. Tevens zijn de standaardnagels op aanvraag in verschillende RAL-kleuren verkrijgbaar.

Toepassingen:
  • Carrosseriebouw
  • Meubelindustrie
  • Airconditioning (HVAC)
  • Witgoedindustrie
  • Containers
  • etc.


Klembereik 3.5-5.5mm

Technische gegevens

verpakt per500st
afschuifwaarde620N
diameter kop ø(dk)6,5mm
treksterkte810N
lengte van de huls (l)8mm
voorboring3,1mm
diameter huls ø(d)3mm
klembereik3,5-5,5mm

Gerelateerde producten